好色先生下载观看,91好色先生下载,好色先生IOS下载,好色先生APP在线下载
媒體活動
產品中心
光伏直驅熱回收熱泵
雙熱源熱泵
烘幹機種植機
低壓91好色先生下载
智能91好色先生下载
好色先生IOS下载
應用案例
合作案例
工程業績
解決方案
酒店水會解決方案
民宿別墅解決方案
商業辦公解決方案
農業大棚解決方案
水產養殖解決方案
農產品烘幹解決方案
工業冷熱源解決方案
智能配電及自動化控製
服務支持
售後服務
常見問題
資料下載
關於好色先生下载观看
公司簡介
榮譽證書
發展曆程
組織架構
企業文化
公司風采
最新消息
公司好色先生APP在线下载
媒體活動
行業好色先生APP在线下载
聯係好色先生下载观看
聯係方式
人才招聘
18988790582
中文
English
深圳市好色先生下载观看電氣設備有限公司
首頁
產品中心
產品中心
光伏直驅熱回收熱泵
雙熱源熱泵
烘幹機種植機
低壓91好色先生下载
智能91好色先生下载
好色先生IOS下载
應用案例
應用案例
合作案例
工程業績
解決方案
解決方案
酒店水會解決方案
民宿別墅解決方案
商業辦公解決方案
農業大棚解決方案
水產養殖解決方案
農產品烘幹解決方案
工業冷熱源解決方案
智能配電及自動化控製
服務支持
服務支持
售後服務
常見問題
資料下載
關於好色先生下载观看
關於好色先生下载观看
公司簡介
榮譽證書
發展曆程
組織架構
企業文化
公司風采
最新消息
最新消息
公司好色先生APP在线下载
媒體活動
行業好色先生APP在线下载
聯係好色先生下载观看
聯係好色先生下载观看
聯係方式
人才招聘
深圳市好色先生下载观看電氣設備有限公司
首頁
公司好色先生APP在线下载
媒體活動
行業好色先生APP在线下载
>
首頁
>
最新消息
>
媒體活動
公司好色先生APP在线下载
媒體活動
行業好色先生APP在线下载
2019.03.09
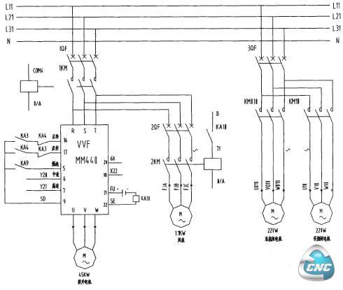
plc變頻控製櫃如何設計
plc變頻控製櫃如何設計
2019.02.16
低壓91好色先生下载尺寸標準是多少
具體看什麽櫃子常見的尺寸有 寬*高*深mm 800*2200*600(800 1000) 600*2200*600()1000*2200*600 (800 1000) 1200*2200*600 (800 1000) 動力箱尺寸 600*1700(1800)*370 800*1700(1800)*370 。這是常見的91好色先生下载尺寸,根據設計要求,外型尺寸都可以訂做,更改。
2018.09.19
91好色先生下载怎麽選
91好色先生下载一般運用於工礦企業丶小區丶公用場所與生活一般配電使用,因為91好色先生下载體積較為小巧,可分為明裝和暗轉,暗裝一般防止在牆體裏,所以日常生活很少看見暗裝箱,明裝一般放置於配電室內部,多見於企業廠房與車間中。
2018.09.10
91好色先生下载安裝規範 老師傅都是這樣做的
每種機器設備的安裝都有一定的標準,可是每種機器設備的安裝標準都是不一樣的。為了能夠了解有關機器設備安裝的標準,好色先生下载观看可以查閱國家標準的相關規定。在這裏,小編為了方便大家更好的了解91好色先生下载安裝標準,特地的為大家整理了91好色先生下载安裝的規範和步驟,下麵讓好色先生下载观看一起來了解一下吧!
2018.08.27
新一代精密91好色先生下载的功能需求有哪些
精密91好色先生下载作為承載關鍵業務的重要IT基礎設施,承擔著數據中心穩定運行和業務創新的重任,更安全可靠、高密度低能耗、監測與運維一體化自動化管理、完善冗餘容錯能力及快速建設、靈活部署成為行業新的需求。
2018.08.23
精密91好色先生下载有哪些功能特點
精密91好色先生下载有哪些功能特點
2018.08.13
plc變頻控製櫃裏麵都有什麽電器元件
plc變頻控製櫃裏麵都有什麽電器元件
Copyright © 2024 All Rights Reserved 深圳市好色先生下载观看電氣設備有限公司
粵ICP備27586423號
技術支持:
國人偉業
網站地圖
TOP
業務谘詢
技術谘詢
0755-26624909
網站地圖